Hydraulic Tailstock

Hydraulic tailstocks provide high-precision support for long workpieces during heavy machining. They reduce vibration and deflection while ensuring stable and accurate machining.

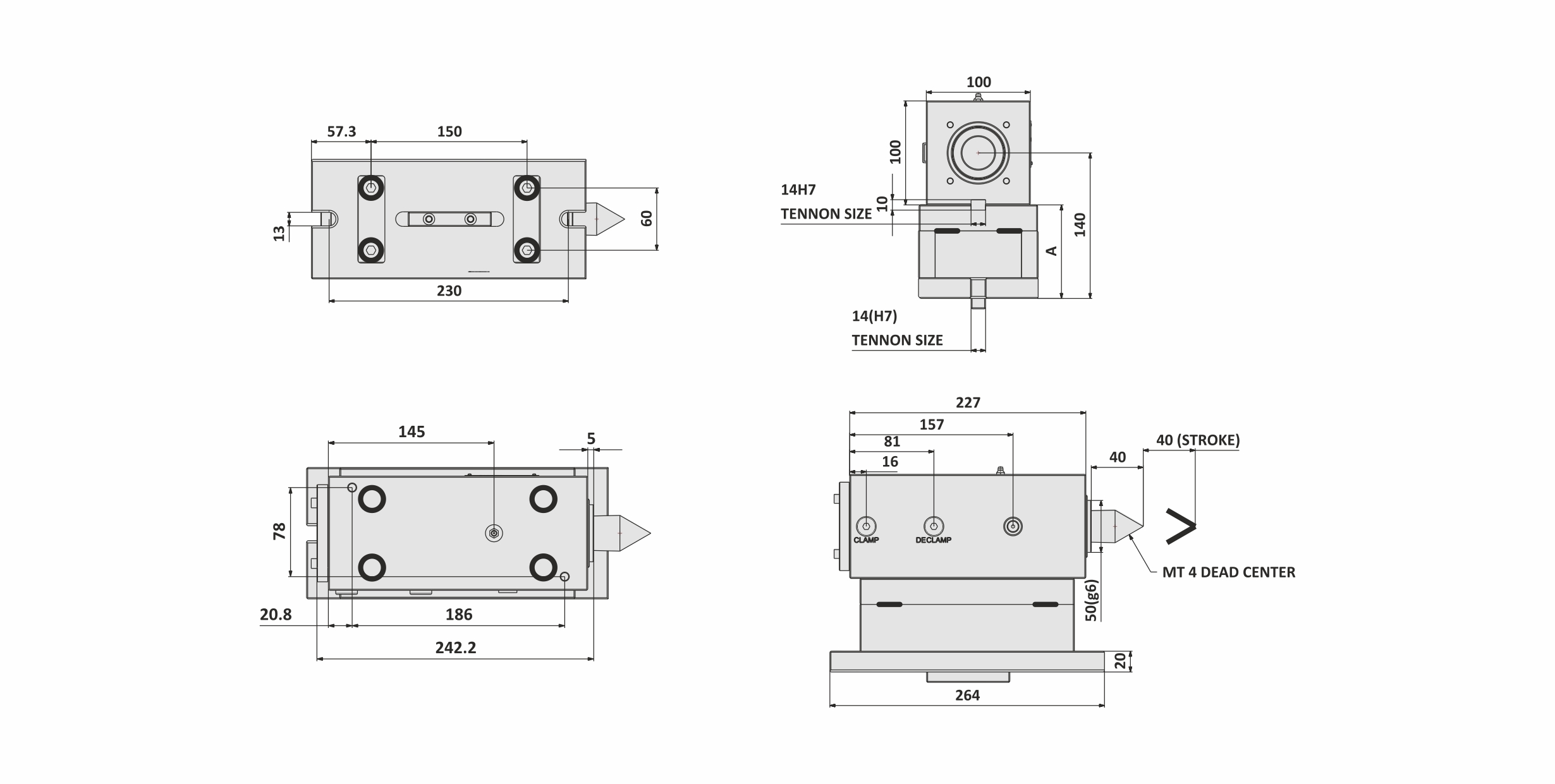
The JHT Series Hydraulic Tailstock is designed for adaptability and precision. The standard center height is 140 mm, but it can be customized as per customer requirements. With hydraulic operation, the tailstock delivers smooth, precise, and repeatable performance for demanding applications.

HYDRAULIC TAILSTOCK
JHT 1 – 140 2

1. Product Standard

JFT → Hydraulic Tailstock

2. Center Height)

140 → 140 mm
XXX → As per requirement

Key Highlights of JHT Series

  • Secure Workpiece Holding: MT4 taper ensures firm and precise center engagement
  • CNC Integration: Operable with relative "M" codes for CNC operations
  • Height Adjustability: Easily customize tailstock height with suitable raisers
  • Auto Alignment: TENON slots ensure alignment within 0.01 mm
  • Rigid Mounting: Secure mounting with M10 bolts
  • Consistent Stability: Maintains constant pressure between centers for precise machining
  • Quick Center Applications: Optimized for rapid center use
  • Easy integration with CNC rotary tables

Specification Table
MODEL CENTER HEIGHT (MM) STRUCTURE HEIGHT (MM)
A
CENTER TAPER STROKE (MM) WEIGHT (KG)
JHT 140 140 90 MT-4 50 35
JHT XXX XXX XXX MT4 50 XX

Note : For customized center heights, the model name will reflect the height (e.g., JHT-XXX for center height XXX mm)



Explore Other Tailstock Models


Searching for the Right Machining Solution?

Go To Top